![]()
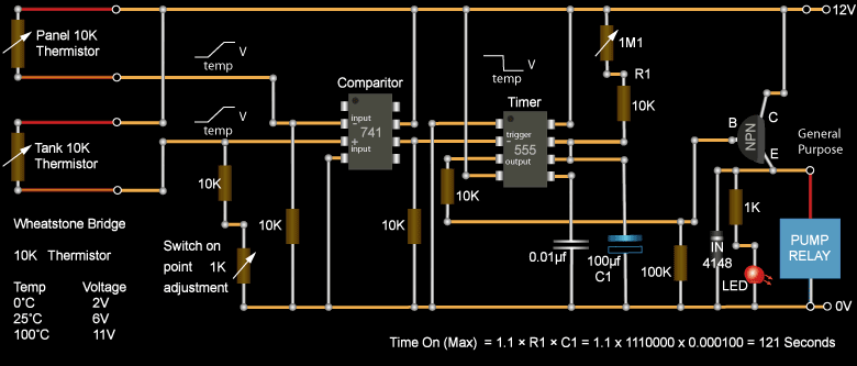
Used to control the circulation pump in my solar thermal installation (thermosyphoning was inefficient).
It has now been working for over six years with good results, after adjustment of the temperature switching point, with the 10k variable resistor. For an anti-freeze circuit, click here.